規格:D11D系列
單位:臺
瀏覽次數:4910
性能標簽:
D11D系列,圓頂加載減壓閥,1-1/2" BSPP,入口最大320bar,出口最大130bar 或220bar
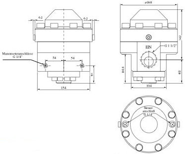
D11D系列圓頂加載減壓閥
1) 接頭: 1-1/2" BSPP
2) 入口壓力:可達320 bar
3) 出口壓力:可達130 bar ; 220 bar: 請咨詢我們
4) 圓頂加載減壓閥,高壓、高流量用
5) 可選: 壓力表接口
符合標準: 測試報告符合:EN 10204-3.1B
技術指標
• 先導壓力比:1:1
• 先導壓力:內部/外部
• 膜片傳感
• 構成材料: 不銹鋼
• 密封O形圈: Buna-N, Viton, EPR;
• 閥芯: Kel-F
• 閥座直徑: 24.9mm平衡閥座, 其它按要求定制
• 操作溫度: -10~+70°C
• 介質: 氣體或液體(根據構成材料)
• 重量:約19 kg

常用型號有:
D11-H1-12,9EM67-D-EPV ,FKM 密封(-5~70°C) 或
D11-H1-12,9EM67-D-EPV ,NBR密封(-20~70°C)
性能指標如下:
閥體、圓頂:不銹鋼
閥芯:PEEK
閥座直徑:12.9mm
最大入口壓力:420bar
最大出口壓力:300bar
入口/出口接頭:1”BSPP(內螺紋)
先導閥接口: 1/4”BSPP
比例: 1:1 , 入口壓力400bar出口0bar時,需要約6bar的壓力打開。
流量:用于空氣400~300bar,最大流量9100Nm3/h;用于煤油400~300bar時,最大流量為70LPM。
氧氣應用時需要防止調壓閥震動或其它作用力引起爆炸。
本網站資料大多是準確的,最新產品資料以產品說明書和操作手冊為準。產品圖片可能與實際有差別,請以實物為準。